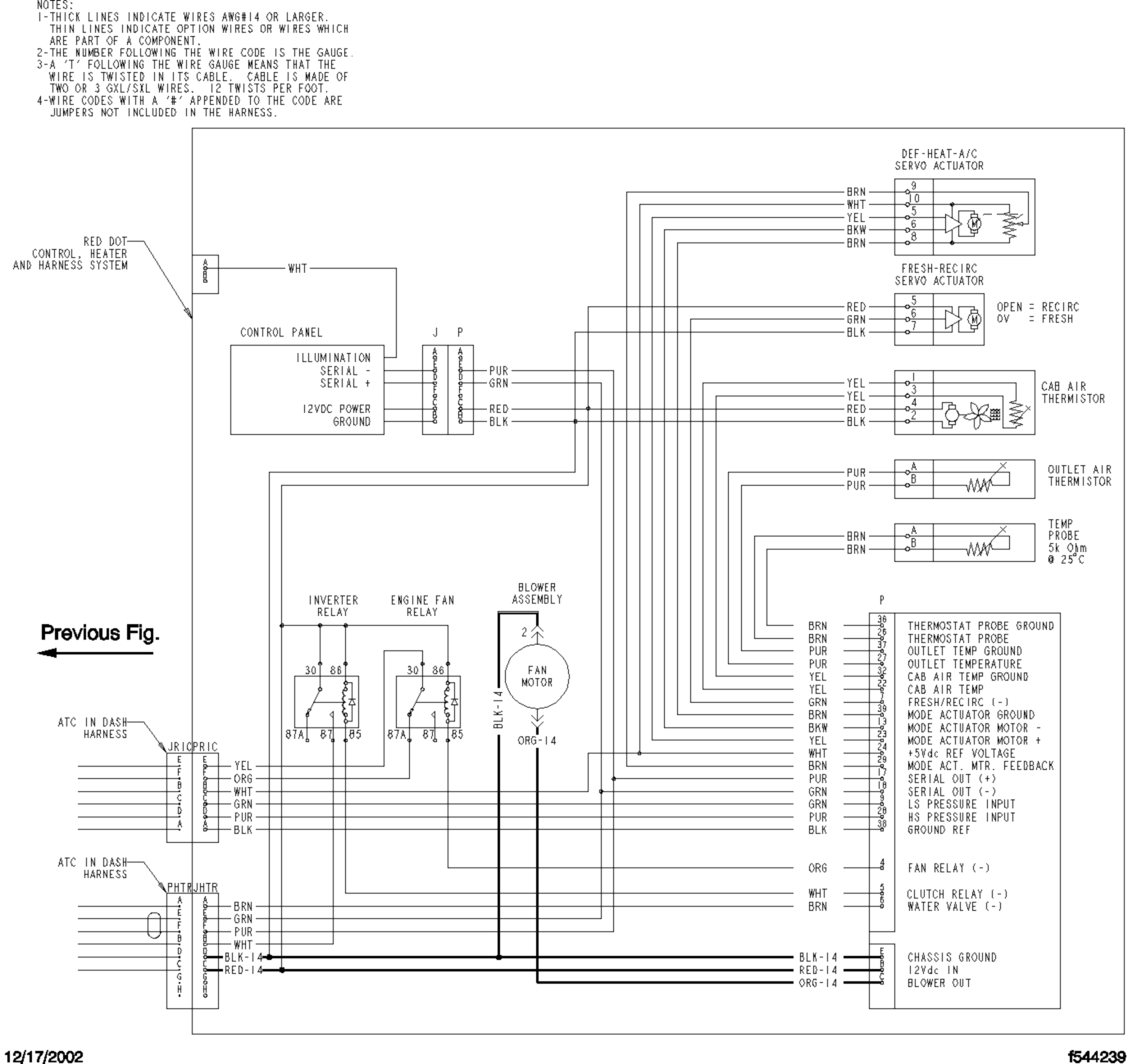
Schéma électrique Western acc wirring 2
Conditions d’achèvement
Cliquer le lien western ac wirring 2.png pour afficher le fichier.